Home
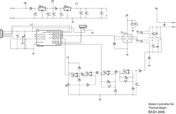
Motor Controller