Home
Splines
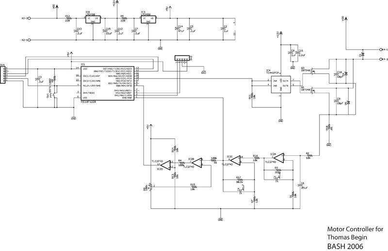
Motor Controller